- saic公司分廠
- 上海自動化儀表一廠
- 上海自動化儀表三廠
- 上海自動化儀表四廠
- 上海自動化儀表五廠
- 上海自動化儀表六廠
- 上海自動化儀表七廠
- 上海自動化儀表九廠
- 上海自動化儀表十一廠
- 上海大華儀表廠
- 上海遠東儀表廠
- 上海轉速儀表廠
- 上海自一船用儀表廠
聯系方式
上海自動化儀表集團有限公司
辦公地址:上海市靜安區汶水路210號
郵政編碼:201615
聯系電話:021-33878577
移動電話:18217128889
網站地址:www.escenter.com.cn
Q96-ZSB帶并車脈沖輸出型同步指示器
產品名稱:Q96-ZSB帶并車脈沖輸出型同步指示器
產品型號:
所屬分類:上海自一船用儀表廠
|
|
17 | |
|
|
Q系列電量、非電量測量指示儀表系列 | |
|
|
Q96-ZSB帶并車脈沖輸出型同步指示器 | |
|
||
產品簡介
|
產品分類:
產品型號 |
展開角 |
外型尺寸 (A×B×C) |
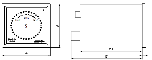
開孔尺寸(mm) |
重量(kg) |
Q144-ZSB |
360° |
144×144×80 |
138+0.5×138+0.5 |
1.4 |
Q96-ZSB |
96×96×140 |
92+0.5×92+0.5 |
1.4 |
|
Q72-ZSB |
72×72×80 |
68+0.5×68+0.5 |
1.4 |
概述 |
|
功能說明
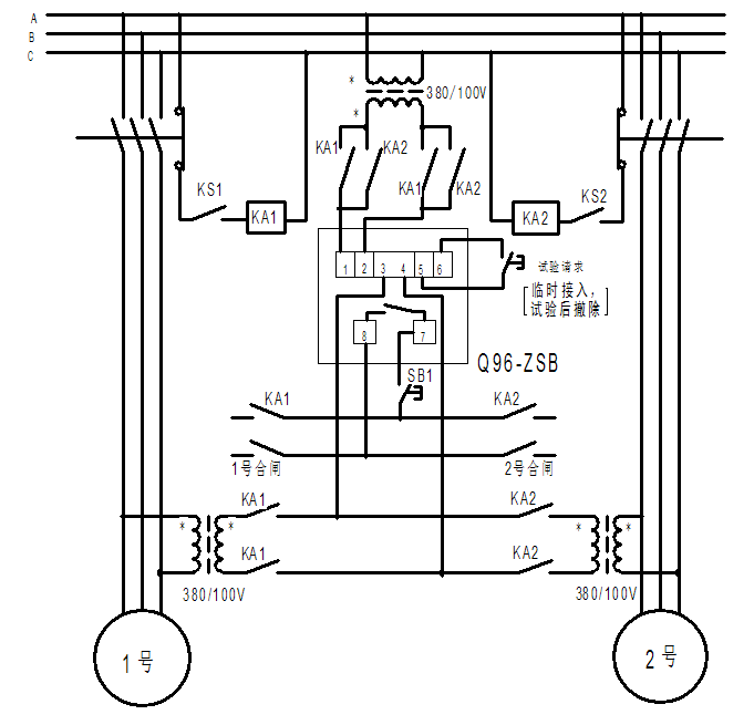
●儀表的電源從工作發電機的額定信號中經變壓器降壓后得到,整流、濾波、穩壓后提供給儀表內部測量電路以使電路正常工作。在工作發電機和接入發電機的信號分別接入儀表后,當接入發電機的頻率(f)大于工作發電機的頻率(f0),即△f=f-f0>0時,動光點就按順時針方向(即“快”的方向)旋轉。反之,當△f=f-f0<0時,動光點就按逆時針方向(即“慢”的方向)旋轉。而動光點旋轉的速率即為兩頻率的差值△f,這樣亦可通過動光點旋轉一周的時間T來估算出兩發電機組的頻率差|△f |=1/T。例如,動光點旋轉一周的時間約為5秒,則兩發電機組的頻率差即為:|△f |=1/T=1/5=0.2Hz。
顯示器上同步標志點(12點鐘位置)處設有綠色同步合閘指示燈,當并網機組的頻差及導前時間在設定范圍內時,該燈在相位差為“0°”前一瞬間點亮,并同時發出并車指令。
在出廠試驗時,如果電網和待并輸入采用的是同一信號,則儀表不能發出并車指令;此時如需測試并車功能,則可在儀表背部的“試驗請求”端(5、6端)上臨時接入“試驗請求”開關;接通此開關后,儀表在檢測出電網信號和待并信號相位差為零時,能間歇發出并車指令,并車指令間歇間隔大約為5秒鐘。試驗結束后應撤除“試驗請求” 開關,以免誤操作。
- 在儀表的背部有二組設定開關(見圖1),其功能如下:

- 導前時間設定開關:此組為四位二進制設定開關,導前時間與其關系見表一;此組設定的作用主要是為了平衡各級聯開關并車合閘的延遲時間,用戶應根據系統組成的相關數據或通過系統調試確定,儀表出廠時設定在110毫秒。
表一. 導前時間與S1的關系
D7 |
0 |
0 |
0 |
0 |
0 |
0 |
0 |
0 |
1 |
1 |
1 |
1 |
1 |
1 |
1 |
1 |
D6 |
0 |
0 |
0 |
0 |
1 |
1 |
1 |
1 |
0 |
0 |
0 |
0 |
1 |
1 |
1 |
1 |
D4 |
0 |
0 |
1 |
1 |
0 |
0 |
1 |
1 |
0 |
0 |
1 |
1 |
0 |
0 |
1 |
1 |
D3 |
0 |
1 |
0 |
1 |
0 |
1 |
0 |
1 |
0 |
1 |
0 |
1 |
0 |
1 |
0 |
1 |
導前時間 |
50 |
80 |
110 |
140 |
170 |
200 |
230 |
260 |
290 |
320 |
350 |
380 |
410 |
440 |
470 |
500 |
注:1表示ON,0表示OFF
- 頻差閉鎖設定開關:此組亦為四位二進制設定開關,頻差閉鎖范圍與其關系見表二;此組設定主要是為
了確定并車指令作用的頻差整定范圍,只有在頻差閉鎖設定范圍內,并車指令才能發生作用,12點鐘位置處的綠色指示燈(即合閘指示燈)才會在相差過零時點亮;用戶可根據需要自行設定,儀表出廠時設定在0.2 Hz。
表二. 頻差閉鎖范圍與S2的關系
D3 |
0 |
0 |
0 |
0 |
0 |
0 |
0 |
0 |
1 |
1 |
1 |
1 |
1 |
1 |
1 |
1 |
D2 |
0 |
0 |
0 |
0 |
1 |
1 |
1 |
1 |
0 |
0 |
0 |
0 |
1 |
1 |
1 |
1 |
D1 |
0 |
0 |
1 |
1 |
0 |
0 |
1 |
1 |
0 |
0 |
1 |
1 |
0 |
0 |
1 |
1 |
D0 |
0 |
1 |
0 |
1 |
0 |
1 |
0 |
1 |
0 |
1 |
0 |
1 |
0 |
1 |
0 |
1 |
頻差閉鎖 |
0.05 |
0.08 |
0.11 |
0.14 |
0.17 |
0.2 |
0.23 |
0.26 |
0.29 |
0.32 |
0.35 |
0.38 |
0.41 |
0.44 |
0.47 |
0.5 |
注:1表示ON,0表示OFF
儀表的背部的接線端子(見圖2),其作用如下:
![]() |
a.1、2端接工作發電機信號(電網信號),3、4端接待并機組信號;1和3端、2和4端的相序極性應相同,不能有誤。 |
使用說明及注意事項
- 使用前應檢查儀表接線正確無誤,特別是電網信號端(1、2端)與待并信號端(3、4端)的極性應相互對應,并應在合閘指令輸出端(7、8端)回路內串接一開關SB1(見參考接線圖),以防發生誤操作。
- 在電網并車調試時,應注意儀表的指示狀態與配電盤上的其它同步指示裝置(如同步指示燈等)的指示一致性,如不相吻合,應檢查接線是否正確,每臺發電機均需進行。
- 在操作調速開關時,應使待并機組與電網頻率逐漸緩慢接近,以進入頻差閉鎖范圍內;此時在相差過零時點亮合閘指示燈,說明已進入并車狀態,當按下SB1開關時,即可發出合閘指令實施并車。
- 當同步表用于多臺發電機系統時,應使各發電機至同步表輸入信號端間的轉換開關觸點相互聯鎖(見參考接線圖中的KS1、KS2)。
- 在電網并車調試時,如需對導前時間和頻差閉鎖范圍進行調整更新設定,應在斷電復位狀態下進行,否則新設定值不被認可。調整后,重新上電即可使用。
保存與維修
- 儀表在原包裝條件下保存在環境溫度0~40℃,相對濕度不超過85%的通風室內,且空氣中不應含有足以引起腐蝕、生銹的有害雜質。
- 儀表自制造廠發貨日起保修18個月,在此期限內當用戶完全遵守本說明書所規定的保存、安裝和使用規則,且制造廠的封印完整的條件下,發現有產品不符合要求的情況,制造廠負責免費給予修理。
外形尺寸圖


產品供應的成套性
●儀表1臺;●安裝附件1袋;●產品使用說明書1份;


