- saic公司分廠
- 上海自動化儀表一廠
- 上海自動化儀表三廠
- 上海自動化儀表四廠
- 上海自動化儀表五廠
- 上海自動化儀表六廠
- 上海自動化儀表七廠
- 上海自動化儀表九廠
- 上海自動化儀表十一廠
- 上海大華儀表廠
- 上海遠東儀表廠
- 上海轉速儀表廠
- 上海自一船用儀表廠
聯系方式
上海自動化儀表集團有限公司
辦公地址:上海市靜安區汶水路210號
郵政編碼:201615
聯系電話:021-33878577
移動電話:18217128889
網站地址:www.escenter.com.cn
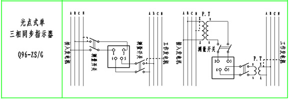
光點式單/三相同步指示器
更新日期:1970年01月01日 操作:返回列表
產品名稱:光點式單/三相同步指示器
產品型號:
所屬分類:上海自一船用儀表廠
概要:
|
|
16 | |
|
|
Q系列電量、非電量測量指示儀表系列 | |
|
|
光點式單/三相同步指示器 | |
|
|
1.5級 | |
|
||
產品簡介
特性:
| 精度:1.5級 |
|
| 環境溫度范圍:-25℃- +55℃ | |
| 外殼防護:按IP42/52 | |
| 耐振動:0.7g | |
| 儀表偏轉角:360° | |
| 功耗:≤1.5VA | |
| 儀表安裝:用四個對角支架固定 | |
| 重量:0.68kg | |
| 開孔尺寸:92+0.5 X 92+0.5(mm) |
產品分類:
|
產品型號
|
展開角
|
外型尺寸(A×B×C)
|
開孔尺寸(mm)
|
重量(kg)
|
|
Q144-ZS/G
|
360。
|
144×144×71
|
138+0.5×138+0.5
|
0.65
|
|
Q96-ZS/G
|
96×96×140
|
92+0.5×92+0.5
|
0.6
|
|
|
Q72-ZS/G
|
72×72×71
|
68+0.5×68+0.5
|
0.55
|
測量電壓規格見下表
|
電壓規格
|
接入方式
|
|
100V±10%
|
直接接入或經U/100VPT接入
|
|
220V±10%
|
直接接入
|
|
380V±10%
|
|
|
400V±10%
|
接線圖:
